1999 cadillac deville engine diagram

1996 Cadillac Deville: Please Provide a Diagram on How to Replace. 18 Images about 1996 Cadillac Deville: Please Provide a Diagram on How to Replace : 1999 Cadillac Deville Engine Issue - YouTube, Smokin Engine! in 1999 Cadillac Deville Engine Diagram | Automotive and also 2002 Cadillac Deville Thermostat - Seanallop.

1996 Cadillac Deville: Please Provide A Diagram On How To Replace

1996 Cadillac Deville: Please Provide a Diagram on How to Replace www.2carpros.com

belt diagram serpentine grand prix 2004 2002 pontiac 1999 cadillac deville routing dts 2006 buick 2007 pulley tensioner lucerne nissan

Purchased A 1985 Cadillac Deville 2dr Sedan. Got It Very Cheap. Body

Purchased a 1985 Cadillac Deville 2dr sedan. Got it very cheap. Body www.justanswer.com

engine cadillac deville 1985 sedan repair 2dr guide compartment hoses wiring removal lines mark before rust interior body

2003 Cadillac Deville 4.6L MFI DOHC 8cyl | Repair Guides | Component

2003 Cadillac Deville 4.6L MFI DOHC 8cyl | Repair Guides | Component www.autozone.com

component locations autozone

I Have The Following Code On My 2002 Cadillac Deville That Keep Popping

I have the following code on my 2002 Cadillac Deville that keep popping www.justanswer.com

cadillac deville 2002 soon engine service miles comes parts

Cadillac Deville Concours Sedan 1997 Fuse Box/Block Circuit Breaker

Cadillac Deville Concours Sedan 1997 Fuse Box/Block Circuit Breaker www.carfusebox.com

cadillac fuse diagram deville box engine 1997 concours xlr breaker block sedan 2005 circuit 2002 carfusebox maxi 1995

2002 Cadillac Deville Thermostat - Seanallop

2002 Cadillac Deville Thermostat - Seanallop seanallop.blogspot.com

cadillac 2002 thermostat deville

1996 Cadillac Deville ENGINE ASM-4.0L V8 PART 3 FRONT COVER & COOLING

1996 Cadillac Deville ENGINE ASM-4.0L V8 PART 3 FRONT COVER & COOLING www.wholesalegmpartsonline.com

1996 intrigue murdock bennedsen

Smokin Engine! In 1999 Cadillac Deville Engine Diagram | Automotive

Smokin Engine! in 1999 Cadillac Deville Engine Diagram | Automotive carpny.org

cadillac deville smokin

30 1999 Cadillac Deville Cooling System Diagram - Free Wiring Diagram

30 1999 Cadillac Deville Cooling System Diagram - Free Wiring Diagram mickygurlz.blogspot.com

deville

1992 Deville Intermittent Service Engine/service Vehicle Check In 2000

1992 Deville Intermittent Service Engine/service Vehicle Check in 2000 carpny.org

deville intermittent

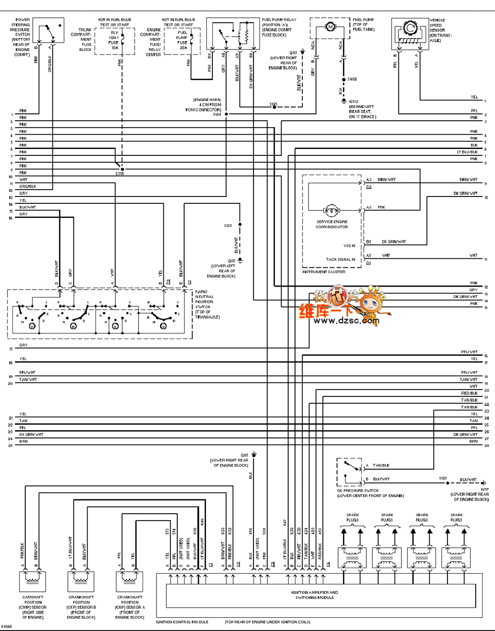
Cadillac Deville 4.6L Engine Performance Circuit Diagram 2 - Automotive

Cadillac deville 4.6L engine performance circuit diagram 2 - Automotive www.seekic.com

circuit cadillac engine diagram deville performance seekic automotive 6l 46l

2003 Cadillac Deville 4.6L MFI DOHC 8cyl | Repair Guides | Component

2003 Cadillac Deville 4.6L MFI DOHC 8cyl | Repair Guides | Component www.autozone.com

component locations 6l engine autozone components fig control

1999 Cadillac Deville Fuse Box Location - Cars Wiring Diagram Blog

1999 Cadillac Deville Fuse Box Location - Cars Wiring Diagram Blog wiringdiagram-blog.blogspot.com

cadillac fuse escalade box diagram deville location wiring 2004 2005 1999 2003 fleetwood engine brougham mk2 info fuel a6f resources

1999 Cadillac Deville Engine Issue - YouTube

1999 Cadillac Deville Engine Issue - YouTube www.youtube.com

cadillac 1999 deville engine

2001 Cadillac Deville Fuse Box Diagram - Wiring Forums

2001 Cadillac Deville Fuse Box Diagram - Wiring Forums wiringforums.com

cadillac fuse box 2001 deville diagram tenth mk10 generation 2002 autogenius px source info

I Own A Auto Repair Shop Here In Ohio, I Just Changed A Engine In A

I own a auto repair shop here in Ohio, I just changed a engine in a www.justanswer.com

cadillac deville oil pressure diagram repair own sending unit 1999 connector

Fuse Box Wiring Diagram For 1998 Catera - Wiring Diagram

Fuse Box Wiring Diagram For 1998 Catera - Wiring Diagram cars-trucks24.blogspot.com

catera 1998 wiring

I Have A Cadillac Deville 00' And Need To Locate The EBCM.

I have a Cadillac Deville 00' and need to locate the EBCM. www.justanswer.com

cadillac deville ebcm locate need instrument panel hi trusting problem thank again john

Cadillac fuse escalade box diagram deville location wiring 2004 2005 1999 2003 fleetwood engine brougham mk2 info fuel a6f resources. 2003 cadillac deville 4.6l mfi dohc 8cyl. 2001 cadillac deville fuse box diagram