1997 chrysler sebring engine diagram

Chrysler Sebring Camshaft. Sensor. Position. Engine. Pkg. Liter, sedan. 11 Images about Chrysler Sebring Camshaft. Sensor. Position. Engine. Pkg. Liter, sedan : 1997 Chrysler Sebring Alternator: Engine Mechanical Problem 1997, 1997 Chrysler Sebring NO P Codes? but a Generic Ignition Co and also Chrysler Sebring Camshaft. Sensor. Position. Engine. Pkg. Liter, sedan.

Chrysler Sebring Camshaft. Sensor. Position. Engine. Pkg. Liter, Sedan

Chrysler Sebring Camshaft. Sensor. Position. Engine. Pkg. Liter, sedan www.lindsaychryslerparts.com

camshaft sebring diagram

1997 Chrysler Sebring NO P Codes? But A Generic Ignition Co

1997 Chrysler Sebring NO P Codes? but a Generic Ignition Co www.2carpros.com

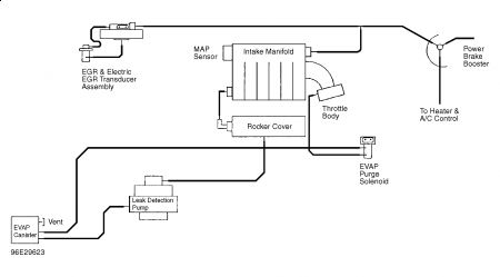
sebring evap egr

1997 Chrysler Sebring Alternator: Engine Mechanical Problem 1997

1997 Chrysler Sebring Alternator: Engine Mechanical Problem 1997 www.2carpros.com

chrysler sebring 2carpros

2001 Chrysler Sebring Main Fuse Box Diagram – Auto Fuse Box Diagram

2001 Chrysler Sebring Main Fuse Box Diagram – Auto Fuse Box Diagram www.autofuseboxdiagram.com

sebring wiring

Chrysler Sebring Valve. Egr. Emissions, Federalemissions, System

Chrysler Sebring Valve. Egr. Emissions, federalemissions, system parts.chryslerjeepdodgecityofmckinney.com

egr sebring cirrus emissions

Chrysler Sebring 2001-2006 Fuse Box Diagram – Automotive Solutions

Chrysler Sebring 2001-2006 Fuse Box Diagram – Automotive Solutions automobilediagram.com

sebring fuse

2004 Dodge Ram 1500 Evap System Diagram - Free Diagram For Student

2004 Dodge Ram 1500 Evap System Diagram - Free Diagram For Student diagramresource.blogspot.com

evap

Have A 1997 Chrysler Sebring With 2.4 Engine. Was Over Heating, Removed

Have a 1997 Chrysler Sebring with 2.4 engine. Was over heating, removed www.justanswer.com

chrysler 1997 timing belt sebring pump water engine gaskets started right drawings

99 Chrysler Town Amp Country Fuse Box Diagram - Wiring Diagram Networks

99 Chrysler Town Amp Country Fuse Box Diagram - Wiring Diagram Networks kelvin-okl.blogspot.com

fuse sebring chrysler imageservice arnage motogurumag stratus

I Have A 1997 Chrysler Sebring That Keeps Blowing The ASD Fuse Which

I have a 1997 chrysler sebring that keeps blowing the ASD fuse which www.justanswer.com

sebring engine chrysler 1997 idling compartment fans

[DIAGRAM] 1999 Sebring Convertible Belt Diagram FULL Version HD Quality

[DIAGRAM] 1999 Sebring Convertible Belt Diagram FULL Version HD Quality geinokaigi.xyz

sebring complaints malfunction 2005

Have a 1997 chrysler sebring with 2.4 engine. was over heating, removed. Egr sebring cirrus emissions. Chrysler sebring 2carpros