1997 volvo 960 engine diagram

1997 Volvo 960 Wagon. Had trouble with instrument cluster & dash lights. 35 Images about 1997 Volvo 960 Wagon. Had trouble with instrument cluster & dash lights : 1997 Volvo V90 Wagon Volvo 960 Engine Electrical Diagram - Engine: 2.9L, 1997 Volvo 960 Cable terminal. Harness, Engine, Battery - 3545417 and also 1997 Volvo 960 6 cyl Fuse Box Diagram – Auto Fuse Box Diagram.

1997 Volvo 960 Wagon. Had Trouble With Instrument Cluster & Dash Lights

1997 Volvo 960 Wagon. Had trouble with instrument cluster & dash lights www.justanswer.com

volvo cluster instrument trouble 1997 dimmer dash lights question ask own

Volvo 960 Engine Diagram - Complete Wiring Schemas

Volvo 960 Engine Diagram - Complete Wiring Schemas wiring89.blogspot.com

volvo 960 oil diagram leak engine 1996 trap flame noticed cap coming wiring remove

Charging System Circuit 1997 Volvo 960 - Schematic Diagram

Charging System Circuit 1997 Volvo 960 - Schematic diagram schematicm.blogspot.com

Volvo 960 Engine Diagram - Complete Wiring Schemas

Volvo 960 Engine Diagram - Complete Wiring Schemas wiring89.blogspot.com

s60

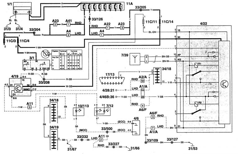
Volvo 960 (1997) - Wiring Diagrams - Headlamps - Carknowledge.info

Volvo 960 (1997) - wiring diagrams - headlamps - Carknowledge.info www.carknowledge.info

headlamps diagrams

Volvo 960 Bracket. Engine, Fittings - 8250139 | Volvo Cars Mall Of

Volvo 960 Bracket. Engine, Fittings - 8250139 | Volvo Cars Mall of parts.volvocarsmallofgeorgia.com

Volvo 960 Engine Diagram - Complete Wiring Schemas

Volvo 960 Engine Diagram - Complete Wiring Schemas wiring89.blogspot.com

volvo 960 service diagram engine 1995 s90 v90 locations maintenance manual repair

Volvo 960 Engine Diagram - Complete Wiring Schemas

Volvo 960 Engine Diagram - Complete Wiring Schemas wiring89.blogspot.com

Volvo 960 (1997) - Wiring Diagrams - Starting - Carknowledge.info

Volvo 960 (1997) - wiring diagrams - starting - Carknowledge.info www.carknowledge.info

wiring volvo starting 1997 diagrams 1995 diagram carknowledge info

1997 Volvo 960 Cable Terminal. Harness, Engine, Battery - 3545417

1997 Volvo 960 Cable terminal. Harness, Engine, Battery - 3545417 parts.volvocars.ca

s80 moteur faisceau v40 tab receptacle douille isolante piéces constitutives volvocars

Charging System Circuit 1997 Volvo 960 - Schematic Diagram

Charging System Circuit 1997 Volvo 960 - Schematic diagram schematicm.blogspot.com

1997 Volvo 960 6 Cyl Fuse Box Diagram – Auto Fuse Box Diagram

1997 Volvo 960 6 cyl Fuse Box Diagram – Auto Fuse Box Diagram www.autofuseboxdiagram.com

cyl 1998

1997 Volvo 960 Engine Expansion Plug. CAP PLUG - 946779 | Volvo Cars

1997 Volvo 960 Engine Expansion Plug. CAP PLUG - 946779 | Volvo Cars parts.volvocarsofmarietta.com

camshaft v90 smithvolvo expansion

1997 Volvo 960 A/c Condenser. Compressor, Exch - 8601550 | Volvo Cars

1997 Volvo 960 A/c condenser. Compressor, exch - 8601550 | Volvo Cars parts.volvocarsontario.com

refrigerant exch b6304 clamp v90

1997 Volvo 960 Gcp Airbag Module. Refer To Service Bulletin: Group: 88

1997 Volvo 960 Gcp airbag Module. Refer to Service Bulletin: Group: 88 usparts.volvocars.com

airbag v70 gcp module 1984

Volvo 960 Dipstick - 3520216 | Volvo Parts Webstore, Oak Park IL

Volvo 960 Dipstick - 3520216 | Volvo Parts Webstore, Oak Park IL www.volvopartswebstore.com

dipstick volvo number parts

Volvo 960 (1995 - 1997) - Fuse Box Diagram - Auto Genius

Volvo 960 (1995 - 1997) - fuse box diagram - Auto Genius www.autogenius.info

volvo fuse box location 1997 1995 diagram

Wiring Diagrams And Free Manual Ebooks: 1997 Volvo 960 Instrument

Wiring Diagrams and Free Manual Ebooks: 1997 Volvo 960 Instrument wiringmanuals.blogspot.com

cluster wiring

1997 Volvo V90 Wagon Volvo 960 Engine Electrical Diagram - Engine: 2.9L

1997 Volvo V90 Wagon Volvo 960 Engine Electrical Diagram - Engine: 2.9L www.eeuroparts.com

engine 9l volvo cyl valve 1997 diagram feedback

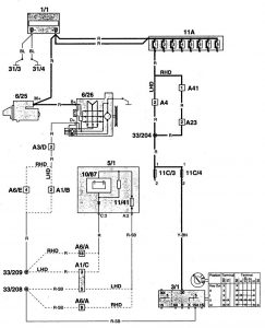
Volvo 960 (1997) - Wiring Diagrams - Security/anti-theft - Carknowledge

Volvo 960 (1997) - wiring diagrams - security/anti-theft - Carknowledge www.carknowledge.info

carknowledge

1997 Volvo 960 Gasket. Automatic, Transmission, Gearbox - 3520331

1997 Volvo 960 Gasket. Automatic, Transmission, Gearbox - 3520331 usparts.volvocars.com

sealing gearbox

Need A Diagram Of Fuel Tank/sender Assembly For A 1997 960 Wagon. I

Need a diagram of fuel tank/sender assembly for a 1997 960 wagon. I www.justanswer.com

sender assembly fuel diagram tank need wagon

1997 Volvo 960 Serpentine Belt Routing And Timing Belt Diagrams

1997 Volvo 960 Serpentine Belt Routing and Timing Belt Diagrams www.2carpros.com

serpentine routing

1997 Volvo 960 Wagon. Had Trouble With Instrument Cluster & Dash Lights

1997 Volvo 960 Wagon. Had trouble with instrument cluster & dash lights www.justanswer.com

volvo cluster trouble instrument 1997 dimmer dash lights

Wiring Diagrams And Free Manual Ebooks: 1997 Volvo 960 Instrument

Wiring Diagrams and Free Manual Ebooks: 1997 Volvo 960 Instrument wiringmanuals.blogspot.com

instrument

Volvo 960 Engine Diagram - Complete Wiring Schemas

Volvo 960 Engine Diagram - Complete Wiring Schemas wiring89.blogspot.com

volvo vacuum 940 diagrams engine diagram turbo hose manual non system components hoses wiring service repair

Volvo 960 Clamp. Battery, DIA, Steering - 967531 | Volvo Cars Mall Of

Volvo 960 Clamp. Battery, DIA, Steering - 967531 | Volvo Cars Mall of parts.volvocarsmallofgeorgia.com

1977

Volvo 960 Egr Pipe. Exhaust Gas Recirculation. (inner). Egr-pipe. For

Volvo 960 Egr pipe. Exhaust gas recirculation. (inner). Egr-pipe. For parts.volvocarsmallofgeorgia.com

recirculation egr nipple

1997 Volvo 960 Starting System Circuit - Schematic Diagram

1997 Volvo 960 Starting System Circuit - Schematic diagram schematicm.blogspot.com

1997 Volvo 960 Gasket. Automatic, Transmission, Gearbox - 3520331

1997 Volvo 960 Gasket. Automatic, Transmission, Gearbox - 3520331 usparts.volvocars.com

volvo 1997

1997 Volvo 960 Starting System Circuit - Schematic Diagram

1997 Volvo 960 Starting System Circuit - Schematic diagram schematicm.blogspot.com

diagram

1997 Volvo 960 Gasket. Automatic, Transmission, Gearbox - 3520331

1997 Volvo 960 Gasket. Automatic, Transmission, Gearbox - 3520331 usparts.volvocars.com

v90 automatic gearbox

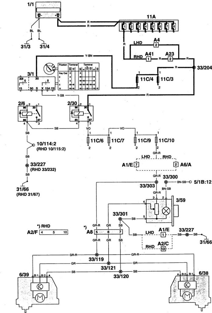
Volvo 960 (1997) - Wiring Diagrams - Ignition - Carknowledge.info

Volvo 960 (1997) - wiring diagrams - ignition - Carknowledge.info www.carknowledge.info

ignition volvo wiring 1997 diagram diagrams carknowledge info

1997 Volvo 960 Cooling Fan/Radio/Heater/Ignition?: Electrical

1997 Volvo 960 Cooling Fan/Radio/Heater/Ignition?: Electrical www.2carpros.com

1997 Volvo 960 Cable Terminal. Harness, Engine, Battery - 3545417

1997 Volvo 960 Cable terminal. Harness, Engine, Battery - 3545417 parts.volvocars.ca

Serpentine routing. Camshaft v90 smithvolvo expansion. Sender assembly fuel diagram tank need wagon