1997 lincoln continental engine diagram

1996 Lexus ES300 3.0L SFI DOHC 6cyl | Repair Guides | Vacuum Diagrams. 17 Pics about 1996 Lexus ES300 3.0L SFI DOHC 6cyl | Repair Guides | Vacuum Diagrams : If I can identify components then I can consult Mitchell1 to select the, 1997 Lincoln Town Car Engine Diagram - Wiring Diagram Schemas and also 1997 Lincoln Town Car Engine Diagram - Wiring Diagram Schemas.

1996 Lexus ES300 3.0L SFI DOHC 6cyl | Repair Guides | Vacuum Diagrams

1996 Lexus ES300 3.0L SFI DOHC 6cyl | Repair Guides | Vacuum Diagrams www.autozone.com

vacuum diagrams diagram town 1996 lincoln engine 6l marquis grand autozone 1995 ford typical fig 2000 continental repair mercury

1997 Lincoln Town Car Engine Diagram - Wiring Diagram Schemas

1997 Lincoln Town Car Engine Diagram - Wiring Diagram Schemas wiringschemas.blogspot.com

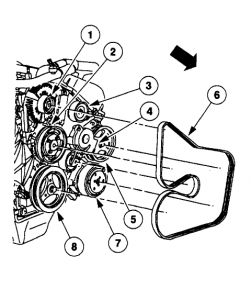
Lincoln Parts - Engine And Transmission 1980 To 2008

Lincoln Parts - Engine and Transmission 1980 to 2008 www.classiquecars.com

1998 - 2002 Lincoln Continental Gallery 8190 | Top Speed

1998 - 2002 Lincoln Continental Gallery 8190 | Top Speed www.topspeed.com

lincoln continental 1998 2002

If I Can Identify Components Then I Can Consult Mitchell1 To Select The

If I can identify components then I can consult Mitchell1 to select the www.justanswer.com

engine component components lincoln continental ford identify bay consult justanswer proper lead thank select

Engine Parts For 2000 Lincoln Continental | Ford Genuine Auto Parts

Engine Parts for 2000 Lincoln Continental | Ford Genuine Auto Parts www.fordgenuineautoparts.com

1998 Lincoln Continental Cam Position Sensor: Transmission Problem...

1998 Lincoln Continental Cam Position Sensor: Transmission Problem... www.2carpros.com

lincoln continental sensor 1998 diagram cam town position wiring 1996 2carpros located fuse box

Used Engine For Sale From A 2002 Lincoln Continental With 19,544 Miles

Used engine for sale from a 2002 Lincoln Continental with 19,544 miles www.youtube.com

continental lincoln engine 2002

Living In Irelandwhere Lincoln Conti. 1999 Modelis Rare.the Keys

Living in irelandwhere lincoln conti. 1999 modelis rare.the keys www.justanswer.com

lincoln ireland living where continental hi

1997 Lincoln Continental LINCOLN 1997 RADIO DIAGRAM: Engine

1997 Lincoln Continental LINCOLN 1997 RADIO DIAGRAM: Engine www.2carpros.com

lincoln radio diagram 1997 continental

1997 Lincoln Town Car Engine Diagram - Wiring Diagram Schemas

1997 Lincoln Town Car Engine Diagram - Wiring Diagram Schemas wiringschemas.blogspot.com

lincoln 6l wiring

1997 Lincoln Town Car 97 Lincoln Looking For Hose Diagrams

1997 Lincoln Town Car 97 Lincoln Looking for Hose Diagrams www.2carpros.com

lincoln flow town 1997 hose diagram diagrams looking 2carpros

2000 Lincoln Continental: Engine Cooling Problem 2000 Lincoln

2000 Lincoln Continental: Engine Cooling Problem 2000 Lincoln 2carpros.com

lincoln continental 2000 belt installation engine 2carpros

98 Lincoln Continental Engine Diagram - Wiring Diagram Networks

98 Lincoln Continental Engine Diagram - Wiring Diagram Networks kelvin-okl.blogspot.com

serpentine fixya routing focus vaccum boggieboardcottage carpny

1977 Lincoln Wiring Diagram

1977 Lincoln Wiring Diagram liszart.blogspot.com

1966 Lincoln Continental Convertible Wiring Diagram - Deineaugenluegen

1966 Lincoln Continental Convertible Wiring Diagram - deineaugenluegen buriedbysea.blogspot.com

electrical shuck easywiring

Lincoln Parts - Engine And Transmission 1980 To 2008

Lincoln Parts - Engine and Transmission 1980 to 2008 www.classiquecars.com

Engine parts for 2000 lincoln continental. 1966 lincoln continental convertible wiring diagram. Continental lincoln engine 2002