1993 toyota pickup engine diagram

73 87 Chevy Truck Instrument Cluster Wiring Diagram - easywiring. 17 Pics about 73 87 Chevy Truck Instrument Cluster Wiring Diagram - easywiring : 1993 Toyota Vacuum Diagrams, 73 87 Chevy Truck Instrument Cluster Wiring Diagram - easywiring and also 1993 Toyota Pickup Fuel Pump Wiring Diagram | Toyota, Fuel, Power.

73 87 Chevy Truck Instrument Cluster Wiring Diagram - Easywiring

73 87 Chevy Truck Instrument Cluster Wiring Diagram - easywiring www.easywiring.info

4runner engine hilux 1990 4crawler w150 pinout misc camry similiar easywiring freightliner wiringg tbi

1983 Toyota Pickup 4x4 - Page 2 - YotaTech Forums

1983 toyota pickup 4x4 - Page 2 - YotaTech Forums www.yotatech.com

1983 pickup toyota 4x4 yotatech

Speedometer And Odometer Not Working: I Have A 1993 Toyota Pickup...

Speedometer and Odometer Not Working: I Have a 1993 Toyota Pickup... www.2carpros.com

speedometer toyota pickup odometer working 1993 sponsored links

1987 Toyota Pickup: Engine Performance Problem 1987 Toyota Pickup

1987 Toyota Pickup: Engine Performance Problem 1987 Toyota Pickup www.2carpros.com

toyota pickup 1987 engine

1992 Toyota Pickup Deluxe Extended Cab Engine Photos | GTCarLot.com

1992 Toyota Pickup Deluxe Extended Cab Engine Photos | GTCarLot.com gtcarlot.com

engine toyota pickup 1992 extended cab cylinder liter deluxe sohc valve engines gtcarlot

1987 Pickup Repair Manual / Exploded Parts Diagrams :: Online

1987 Pickup Repair Manual / Exploded Parts Diagrams :: Online www.toyotatruckclub.com

toyota engine parts pickup 1994 timing genuine 1987 1992 valve gasket tensioner gear diagrams exploded repair manual cylinder base

[DIAGRAM] 93 Toyota Pick Up 2 4 Vacum Diagram FULL Version HD Quality

[DIAGRAM] 93 Toyota Pick Up 2 4 Vacum Diagram FULL Version HD Quality wiringestimatesk.netna.it

vacum idel

[Free Download] 1985 Toyota Truck & 4-runner Gasoline Repair Manual

[Free download] 1985 Toyota Truck & 4-runner Gasoline Repair Manual www.autorepairmanuals.ws

truck manual toyota clutch repair gasoline 1985 runner chapter system fuel threads

1993 Toyota Pickup 3 Vze Engine Diagram - Dodge Diagram

1993 Toyota Pickup 3 Vze Engine Diagram - Dodge Diagram www.sicilyultratour.it

toyota vze toyotum networks

I Own A 88 Toyota Pickup 3vze 4x4 With 53,000, Miles.I Am Having An

I own a 88 toyota pickup 3vze 4x4 with 53,000, miles.I am having an www.justanswer.com

toyota pickup v6 4x4 diagram vacuum 3vze hi own need holler graphic

[Free Download] 1985 Toyota Truck & 4-runner Gasoline Repair Manual

[Free download] 1985 Toyota Truck & 4-runner Gasoline Repair Manual www.autorepairmanuals.ws

1985 toyota truck manual clutch repair gasoline runner chapter threads brake

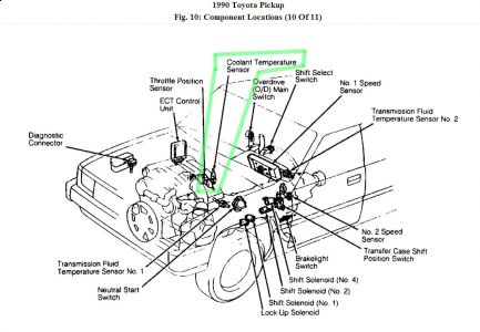
1990 Toyota Pickup Toyota Won't Stay Running: Hi , My Truck Starts...

1990 Toyota Pickup Toyota Won't Stay Running: Hi , My Truck Starts... www.2carpros.com

toyota pickup 1990 truck stay running coolant aren wire sure getting colors check manifold intake won hi 2carpros

1993 Toyota Vacuum Diagrams

1993 Toyota Vacuum Diagrams www.scribd.com

diagram toyota vacuum 1993 wiring engine mr2 toyotum 1986

My 1990 Toyota Pickup 4 Cylinder With EFI Has An Occasional Miss (runs

My 1990 Toyota pickup 4 cylinder with EFI has an occasional miss (runs www.justanswer.com

toyota efi runs cylinder rough 1990 pickup miss

1993 Toyota Pickup Fuel Pump Wiring Diagram | Toyota, Fuel, Power

1993 Toyota Pickup Fuel Pump Wiring Diagram | Toyota, Fuel, Power in.pinterest.com

wiring 4runner sending unit adina

1989 Toyota Pickup Wiring Diagram

1989 Toyota Pickup Wiring Diagram strawberry-sweet.blogspot.com

scion bolt 4thdimension

22r Ignition Coil Wiring Diagram

22r Ignition Coil Wiring Diagram www.chanish.org

22re 22r ignition alternator

1993 toyota pickup 3 vze engine diagram. Diagram toyota vacuum 1993 wiring engine mr2 toyotum 1986. Speedometer toyota pickup odometer working 1993 sponsored links