1990 buick century engine diagram

I have a 1990 Buick Century Custom with the 3.3 and auto. I am looking. 35 Pictures about I have a 1990 Buick Century Custom with the 3.3 and auto. I am looking : We have a 1990 Buick Century 2.5L, We have no pulse to injector, We, I have a 1990 buick century custom with the 3.3 litre engine. I would and also 1994 Buick Lesabre Fuse Box - Wiring Diagram Schema.

I Have A 1990 Buick Century Custom With The 3.3 And Auto. I Am Looking

I have a 1990 Buick Century Custom with the 3.3 and auto. I am looking www.justanswer.com

buick 1990 century sensor custom iat mat

I Have A 1990 Buick Century Custom With The 3.3 Litre Engine. I Would

I have a 1990 buick century custom with the 3.3 litre engine. I would www.justanswer.com

1990 Toyota Tercel Wiring

1990 Toyota Tercel Wiring cuasinoticias-viajes.blogspot.com

alternator

I Have A 1990 Buick Century Custom With The 3.3 Litre Engine. I Would

I have a 1990 buick century custom with the 3.3 litre engine. I would www.justanswer.com

century buick 1990 custom steering pump power alternator disconnect remove

98 Buick Lesabre Brake Lines - Seanallop

98 Buick Lesabre Brake Lines - Seanallop seanallop.blogspot.com

lesabre

Engine Diagram For A 1990 Buick Reagal 3 1 Litre

Engine Diagram For A 1990 Buick Reagal 3 1 Litre sometimesawitch.blogspot.com

reagal

Fuse Box 1990 Buick Lesabre - Wiring Diagram

Fuse Box 1990 Buick Lesabre - Wiring Diagram cars-trucks24.blogspot.com

lesabre headlights

94 Buick Century Parts - Jonesgruel

94 Buick Century Parts - Jonesgruel jonesgruel.blogspot.com

buick century parts signal vehicles

We Have A 1990 Buick Century 2.5L, We Have No Pulse To Injector, We

We have a 1990 Buick Century 2.5L, We have no pulse to injector, We www.justanswer.com

injector buick 1990 century w16 power unplug does

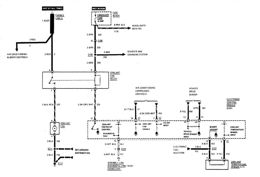
Buick Century (1990) - Wiring Diagrams - Cooling Fans - Carknowledge.info

Buick Century (1990) - wiring diagrams - cooling fans - Carknowledge.info www.carknowledge.info

carknowledge

1994 Buick Lesabre Fuse Box - Wiring Diagram Schema

1994 Buick Lesabre Fuse Box - Wiring Diagram Schema kiona-machit.blogspot.com

lesabre relays fuses

2002 Buick Century Fuel Pump Wiring Diagram - Wiring Diagram

2002 Buick Century Fuel Pump Wiring Diagram - Wiring Diagram wiringdiagram.2bitboer.com

lesabre lucerne autozone wiringg

Buick Century Questions - Where Is The Junction Box Located? - CarGurus

Buick Century Questions - Where is the junction box located? - CarGurus www.cargurus.com

buick fuse location box lesabre diagram relay park century junction avenue 1996 2004 where 1990 1995 horn located abs hood

Buick Century (1990) - Wiring Diagrams - Differential - Carknowledge.info

Buick Century (1990) - wiring diagrams - differential - Carknowledge.info www.carknowledge.info

buick carknowledge

1993 Buick Century Interchangable Parts 1990 Buick And 1993: 1993

1993 Buick Century Interchangable Parts 1990 Buick and 1993: 1993 www.2carpros.com

interchangable

1990 Buick Lesabre Fuse Box Layout - Wiring Diagram Schema

1990 Buick Lesabre Fuse Box Layout - Wiring Diagram Schema kiona-machit.blogspot.com

wiring diagram bmw buick 2007 1990 fuse box century lesabre layout schematic pcm

1990 Buick Park Avenue Fuse Box | Schematic And Wiring Diagram

1990 Buick Park Avenue Fuse Box | schematic and wiring diagram schematicandwiringdiagram.blogspot.com

fuse reatta

Buick Century (1990) - Wiring Diagrams - Differential - Carknowledge.info

Buick Century (1990) - wiring diagrams - differential - Carknowledge.info www.carknowledge.info

differential 1970 coil carknowledge

Engine Diagram For A 1990 Buick Reagal 3 1 Litre

Engine Diagram For A 1990 Buick Reagal 3 1 Litre sometimesawitch.blogspot.com

reagal

1990 Buick Century Custom Computer Wiring Diagram V6 Collection

1990 Buick Century Custom Computer Wiring Diagram V6 Collection faceitsalon.com

lesabre 2carpros vaccum

Fuse Box For 2004 Buick Century - Wiring Diagram

Fuse Box For 2004 Buick Century - Wiring Diagram cars-trucks24.blogspot.com

buick fuse box diagram century rendezvous 2004 heater ac relay wiring console center 1990 version

Buick Century (1990) - Wiring Diagrams - Indicator Lamp - Carknowledge.info

Buick Century (1990) - wiring diagrams - indicator lamp - Carknowledge.info www.carknowledge.info

buick century wiring indicator lamp diagrams 1990 diagram carknowledge info

Buick Century (1990) - Wiring Diagrams - Starting - CARKNOWLEDGE

Buick Century (1990) - wiring diagrams - starting - CARKNOWLEDGE www.carknowledge.info

buick wiring century diagram starting diagrams 1990 carknowledge

Computer Wiring Diagram For 1990 Buick Century Custom

Computer Wiring Diagram For 1990 Buick Century Custom schematron.org

lesabre fuse relay locations justanswer roadmaster regal gs wire u0026quot

Where Is The Bcm And The Ecm Located On A 1990 Buick Riviera?

Where is the bcm and the ecm located on a 1990 buick riviera? www.justanswer.com

bcm reatta buick located ecm 1990 1989 riviera where module control engine 2009 harness error codes justanswer behind compartment glove

Buick Century (1990) - Wiring Diagrams - Power Distribution - CARKNOWLEDGE

Buick Century (1990) - wiring diagrams - power distribution - CARKNOWLEDGE www.carknowledge.info

century wiring buick 1990 distribution power diagrams diagram carknowledge info version

Buick Century (1990 - 1991) - Wiring Diagrams - Rear Window Defogger

Buick Century (1990 - 1991) - wiring diagrams - rear window defogger www.carknowledge.info

defogger diagrams carknowledge

My 1990 Buick Century Custom, 3300 V-6, Will Idle But Stalls When You

My 1990 Buick Century Custom, 3300 v-6, will idle but stalls when you www.justanswer.com

accelerate stalls

Clutch To Clutch Actuator Thingy - SaturnFans.com Forums

Clutch to clutch actuator thingy - SaturnFans.com Forums www.saturnfans.com

clutch chevrolet cavalier diagram saturn 1998 pedal saturnfans forums buick parts cap 2005 2004 2001 2003 1991 1992 1993 1994

Buick Century (1990 - 1991) - Wiring Diagrams - Headlamps

Buick Century (1990 - 1991) - wiring diagrams - headlamps www.carknowledge.info

headlamps carknowledge

Buick Delta 88 1999 Engine Fuse Box/Block Circuit Breaker Diagram

Buick Delta 88 1999 Engine Fuse Box/Block Circuit Breaker Diagram www.carfusebox.com

fuse buick delta 1999 diagram engine box breaker circuit block carfusebox

Engine Diagram For A 1990 Buick Reagal 3 1 Litre

Engine Diagram For A 1990 Buick Reagal 3 1 Litre sometimesawitch.blogspot.com

reagal buick

95 Buick Century Heater Blower Wiring Diagram - Wiring Diagram Networks

95 Buick Century Heater Blower Wiring Diagram - Wiring Diagram Networks kelvin-okl.blogspot.com

buick wiring diagram reatta 1990 century fuse blower 2004 lacrosse 1970 rendezvous heater box 2005 skylark diagrams database 2007 resources

1990 Buick Park Avenue W/ Anti Lock Brakes: The Brake Pedal Suddenly

1990 Buick Park Avenue w/ anti lock brakes: The brake pedal suddenly www.justanswer.com

buick brake diagram booster park ra sa cylinder avenue master 1990

Engine Diagram For A 1990 Buick Reagal 3 1 Litre

Engine Diagram For A 1990 Buick Reagal 3 1 Litre sometimesawitch.blogspot.com

reagal

Headlamps carknowledge. Clutch chevrolet cavalier diagram saturn 1998 pedal saturnfans forums buick parts cap 2005 2004 2001 2003 1991 1992 1993 1994. Buick century parts signal vehicles