1987 suburban engine compartment wiring

Ford Truck Wiring Diagrams 1950 Cluster | Wire. 17 Pics about Ford Truck Wiring Diagrams 1950 Cluster | Wire : 1984 Chevy K5 Blazer Fuse Box | schematic and wiring diagram, 94 Suburban Wiring Diagram and also 1979 Chevrolet Truck Parts | *CX9286 | 1973-80 Chevy Pickup, Blazer,.

Ford Truck Wiring Diagrams 1950 Cluster | Wire

Ford Truck Wiring Diagrams 1950 Cluster | Wire tinyjudson.blogspot.com

torsion

Chevrolet Engine Compartment Diagram - Wiring Diagram

Chevrolet Engine Compartment Diagram - Wiring Diagram cars-trucks24.blogspot.com

cruze

1990 Chevy Suburban Blower Motor Doesnt Work Need Wiring Diagram

1990 Chevy suburban blower motor doesnt work need wiring diagram www.justanswer.com

blower motor suburban 1990 wiring chevy 2500 diagram chevrolet chev does

Wiring Diagram: 35 1988 Chevy S10 Wiring Diagram

Wiring Diagram: 35 1988 Chevy S10 Wiring Diagram melissappos.blogspot.com

2500hd wiringforums

Where Can I Get A Wiring Digram For A 1991 Suburban 454 TBI With A

Where can I get a wiring digram for a 1991 Suburban 454 TBI with a www.justanswer.com

wiring tbi 1991 chevy suburban digram trans

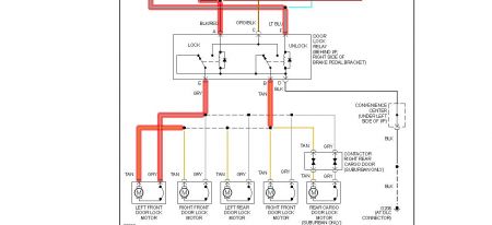
2001 Chevy Suburban Wiring Diagram Database

2001 Chevy Suburban Wiring Diagram Database www.dentistmitcham.com

repairguide autozone

1990 Chevy Suburban Blower Motor Doesnt Work Need Wiring Diagram

1990 Chevy suburban blower motor doesnt work need wiring diagram www.justanswer.com

blower suburban motor fan switch resistor diagram chevy 1990 relay wiring where located heater 2500 gmc runs speeds justanswer chev

Nova And Chevy II Under Hood Cover Quietride AcoustiHOOD 3 D Molded

Nova And Chevy II Under Hood Cover Quietride AcoustiHOOD 3 D Molded teso.eurnoz.co

acoustihood quietride displacement

1979 Chevrolet Truck Parts | *CX9286 | 1973-80 Chevy Pickup, Blazer,

1979 Chevrolet Truck Parts | *CX9286 | 1973-80 Chevy Pickup, Blazer, www.classicindustries.com

truck auxiliary

1984 Chevy K5 Blazer Fuse Box | Schematic And Wiring Diagram

1984 Chevy K5 Blazer Fuse Box | schematic and wiring diagram schematicandwiringdiagram.blogspot.com

chevy wiring diagram 1984 k5 blazer fuse box electricidad schematic

Valve Stem Extender 4

Valve Stem Extender 4 www.factoryoemparts.com

extender stem valve wed usd dec sku chevy topseal cap door gmc 1997

87 Gmc Sierra Fuse Box | Schematic And Wiring Diagram

87 Gmc Sierra Fuse Box | schematic and wiring diagram schematicandwiringdiagram.blogspot.com

fuse firewall connection

1998 Chevrolet Suburban 1500 Wirng Diagram | Auto Wiring Diagrams

1998 Chevrolet Suburban 1500 Wirng Diagram | Auto Wiring Diagrams autowiringdiagrams.blogspot.com

1998 1500 suburban chevrolet diagram wirng wiring diagrams

Repairing 2000 Chevrolet Suburban 2500 Automobiles? Access Complete DIY

Repairing 2000 Chevrolet Suburban 2500 Automobiles? Access Complete DIY www.automotix.net

suburban 2500 chevrolet 2000 wiring diagram v8 gas diy automobiles diagrams

94 Suburban Wiring Diagram

94 Suburban Wiring Diagram nscuritibanorte.blogspot.com

wiring k1500

1989 Suburban Wiring Diagrams Pdf | Schematic And Wiring Diagram

1989 Suburban Wiring Diagrams Pdf | schematic and wiring diagram schematicandwiringdiagram.blogspot.com

wiring gmc mk5 corsica

1994 GMC Suburban Short?: Electrical Problem 1994 GMC Suburban V8

1994 GMC Suburban Short?: Electrical Problem 1994 GMC Suburban V8 2carpros.com

suburban gmc 1994 short sponsored links

Wiring k1500. Repairing 2000 chevrolet suburban 2500 automobiles? access complete diy. 1994 gmc suburban short?: electrical problem 1994 gmc suburban v8